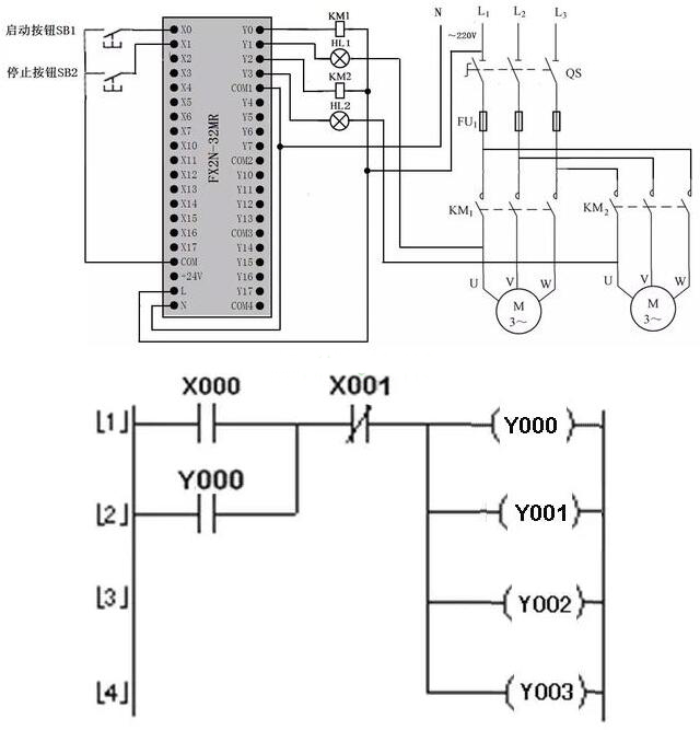
多重輸出控制的PLC線路與梯形圖
大年初八,開工第一天。海藍機電祝各位恭喜發財,財源滾滾!今天分享的文章是:多重輸出控制的PLC線路與梯形圖。
plc線路與梯形圖說明如下:
(1) 起動控制
(2) 停止控制
以上就是關于多重輸出控制的PLC線路與梯形圖的全部內容了。海藍機電-三菱自動化產品代理商。
海藍機電為你提供機器人視覺、上位機軟件、自動化開發、機電設備維修等技術服務。
深圳市海藍機電設備有限公司(www.tyxingxing.com)專業經營:三菱PLC、三菱伺服電機、三菱變頻器、三菱觸摸屏等工控自動化產品的批發和代理工作。
電話:0755-88356296(10線) 吳經理:13823726967
本文原創自:深圳海藍機電設備有限公司,轉載請注明出處:http://www.tyxingxing.com/article/845.html.
相關內容
暫無留言!




評論信息